产品
  • 产品
搜索
首页 >> 产品展示 >>全部产品 >> RHP150系列功率电阻器
详细说明

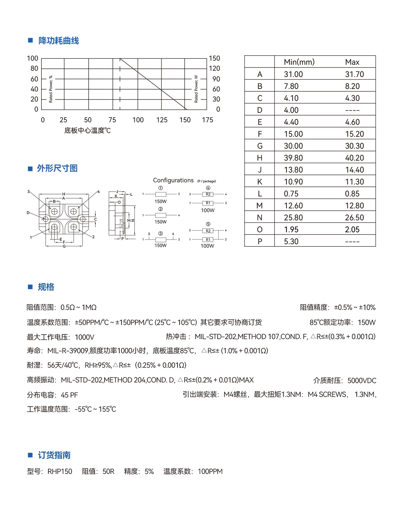
RHP150系列功率电阻器

产品特点
厚膜无感设计、符合ROHS要求
产品特点
精度高,体积小,中功率,可替代大体积线绕电阻器
产品特点
适用于高频、脉冲负载及电力供应领域
适用标准
适用标准:IEC60115-1:2001(GB/T5729-2003)、MIL-STD-202、MIL-R-39009D
  • 商品说明

详情4.jpg


关于我们

产品中心

新闻动态

福建省志骐电子科技有限公司

公司地址:福建省泉州市台商投资区东园镇溪庄村溪庄路110号5号楼

客服QQ:3628907453

电子邮箱:3628907453@qq.com

联系电话:19942876886    19942876669



微信二维码

QQ客服二维码

电话直呼
在线客服
发送邮件
联系我们:
19942876886
19942876669
客服
点击这里给我发消息
还可输入字符250(限制字符250)
技术支持: 泉州世纪通锐信息技术有限公司 | 管理登录
点击这里给我发消息
×
seo seo